(文/Ling Jiang、Wesley Ballar、Anjan Panigrahy和Henry Zhang,ADI公司)许多应用都需要宽输入和/或输出电压范围,例如电池供电系统。在输入电压可能低于或高于输出电压的情况下,电源需要调节其输出电压。只要不需要接地隔离,四开关降压-升压拓扑结构就能为此类应用提供超高的效率和功率密度。此外,降压-升压稳压器非常灵活,可用作单纯的降压电源或升压(带短路保护)电源。
ADI公司的µModule部门开发了多款降压-升压稳压器。其中,LTM8045、LTM8049、LTM8083和LTM4693适用于低电流应用。而LTM4607系列、LTM8055系列以及新发布的LTM4712降压-升压模块支持大电流应用(高达12 A)。LTM4607/LTM4605/LTM4609系列内部集成了控制器和MOSFET,但需要在PCB上连接外部功率电感和检测电阻(RSENSE),以构成完整的电源解决方案,如图1所示。而LTM8054、LTM8055和LTM8056则将功率电感和RSENSE集成到µModule封装中,从而简化了客户的设计和布局工作,如图2所示。与LTM4607系列相比,LTM8055系列提供了更小尺寸的解决方案,但其输出电流受限于小尺寸集成电感,因此热性能和效率方面存在一定局限性。
2023年,ADI发布了新款大电流、四开关降压-升压稳压器LTM4712。这是一款36 VIN(最大值)、12 A功率模块,采用高密度16 mm × 16 mm × 8.34 mm BGA封装。它采用ADI专有的先进组件封装技术,将高性能功率电感集成到封装中。图3显示了该模块中集成的专有电流检测方案。这不仅节省了空间,而且还有效减少了额外的功率损耗。该器件采用先进的降压-升压控制器和高级ADI封装,能够在宽输入输出电压范围内实现超高的功率水平、功率密度、效率和出色的热性能。
LTM4712具有快速逐周期电流模式控制功能,有助于实现可靠的保护和平稳的模式转换。当采用并联配置以支持更高电流的应用时,它有助于实现出色的均流功能。此外,这款新器件支持可选的恒定输出电流模式,可用于电池充电应用,同时还允许冗余输入,从而增强其作为冗余电源的通用性。

图1:LTM4607功率级原理图

图2:LTM8055典型应用电路

图3.LTM4712典型应用电路
效率提升和热性能改善
图4比较了LTM4607、LTM8055和LTM4712在6 V VIN、12 V VIN、24 V VIN及12 V VOUT条件下的效率。评估使用了可在线订购的标准评估板。根据测试结果,LTM4712在效率方面明显优于其他两款产品,并且电流能力更强。
在12 V VIN和12 V VOUT条件下,与LTM8055相比,LTM4712在功率翻倍的同时温度低了30°C。对于需要12 A电流的应用,如果使用LTM8055,则根据散热系统的不同,可能需要并联两到三个该器件。然而,如果使用LTM4712,那么一个器件就足够了,PCB占用空间大大减少,电路设计也更简单。

图4:LTM4712、LTM4607和LTM8055之间的效率比较
并联配置下实现良好的均流
LTM4712支持并联配置,通过简单的设置即可实现更高的输出功率。得益于电流模式控制,它具备出色的均流性能。EVAL-LTM4712-A2Z评估套件展示了四个模块并联运行的情况,能提供48 A的总输出电流。
当利用该器件实现并联配置时,必须参考评估板的设计和配置。为了实现有效均流,并联模块时需要连接COMP引脚和FB引脚。PHMODE引脚可用于配置相移。在四个模块并联的情况下,PHMODE引脚连接至INTVCC可以产生90°相移,从而实现出色的交错效果。此外,为了实现频率同步,应将第一个模块的CLOCKOUT信号连接到第二个模块的SYNC引脚。
可选恒流调节
LTM4712可用作恒定输出电流源,因此适用于电池充电器或LED驱动器等应用。负载电流通过ISET引脚和输出端附近的外部输出电流检测电阻来设置。公式VSENSE = IOUT × RSENSE_IOUT定义了代表平均输出电流的电压。最大VSENSE由ISET引脚上的电压决定,范围为0.2 V至1.2 V,线性对应0 mV至50 mV。ISET引脚电压VISET由一个15 μA内部电流源和一个连接在ISET引脚与地之间的电阻RISET决定,表示为VISET = 15 μA × RISET。因此,输出电流计算公式为:IOUT = (VISET - 0.2 V)/(20 × RSENSE_IOUT)。
需要注意的是,当ISET引脚浮空时,或当ISET引脚电压超过1.2 V时,内部电路会将最大VSENSE限制为50 mV。由于输出中存在纹波电流,必须在ISP和ISN引脚上使用RC滤波器,以实现准确的平均电流检测。此外,在选择FB引脚和地之间的反馈电阻时,应确保其产生的输出电压高于目标VOUT。
冗余电源
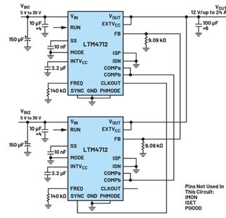
LTM4712支持需要冗余输入的应用。它可用于需要备用电源的系统,或是那些从不同输入源获取电源以支持公共负载的系统。图5显示了一个示例电路,其中的两个模块由不同输入(VIN1和VIN2)供电,共同为24 A负载提供12 V输出。值得注意的是,任一输入电压下降都不会影响输出调节,而且通过连接COMP引脚,峰值电感均流作用始终有效。
图6显示了两种不同条件下的工作台测试波形。图6a展示了相位1和相位2都在降压-升压模式下运行的情况。最初,相位1提供4 A负载电流,在相位2激活后,二者逐渐各自分担一半的负载电流。IMON波形显示,当两个相位都在运行时,两个相位平等分担负载电流。
图6b展示了相同负载条件但输入不同的情况。这里,相位1以升压模式运行,而相位2以降压模式运行。由于COMP引脚连接在一起,两个相位的峰值电感电流相同。因此,相位1(升压)的输出电流低于相位2(降压)的输出电流。每个相位提供的具体负载电流可以根据电感、开关频率、VIN、VOUT和总负载电流等参数计算得出。在此示例中,相位1提供1.4 A负载电流,而相位2提供2.6 A负载电流。

图5:输入冗余应用电路

图6:输入冗余应用电路
结语
LTM4712不仅能轻松并联以支持更高功率的应用,而且在并联配置中,还表现出良好的均流能力。该器件可以灵活配置为恒定电流输出,因此非常适合电池充电系统或LED应用。此外,它还支持冗余输入,从而进一步提高了其适应性。

安森美和麦格纳签署战略合作协议,投资碳化硅生产以满足日益增长的电动汽车市场需求
2023-07-28

2024-05-18

2024-09-11

取舍之道贵在权衡,ADI两大高性能电源技术诠释如何破局多维度性能挑战
2023-12-25

芯科科技蓝牙®信道探测技术提供亚米级精确度,推动实现安全精准测距
2024-09-09

2023-02-07

2025-10-20

Gartner预测到2027年80%的数据和分析治理举措将因缺乏真正或人为的危机而失去作用
2024-03-05

GlobalData:T-Mobile推出了beta版的T-Mobile Starlink,重塑了市场对二级连接的认知
2025-02-11

2024-08-12