(作者:Lloben Paculanan,产品应用工程师;Chelsea Faye Aure,产品应用工程师;Jan Michael Gonzales,产品应用工程师)
摘要
本文介绍了隔离式精密信号链的参考设计解决方案,并探讨了其在数据采集应用中对保持准确度和提高可靠性的重要作用。
引言
数字时代改变了解决问题的范式,将智能引入边缘可以应对全新的复杂挑战。数据采集(DAQ)系统成为了边缘智能的核心。在数据采集领域,准确度和可靠性至关重要。为确保达到高准确度和完整性,隔离式精密信号链的重要性不容忽视。
了解隔离式精密信号链
隔离式精密信号链指的是一种旨在精密准确地采集和处理信号,同时与周围环境保持电气隔离的系统或电路。隔离通常是一系列信号调理电路的一部分,主要有两个作用:确保安全和数据完整性。1隔离还具有以下优点:
u 减少噪声和干扰:信号链通过隔离技术(例如使用变压器或光耦合器的电气隔离),可以消除共模电压变化、接地环路和电磁干扰(EMI)。这种隔离能够防止外部噪声源破坏采集的信号,确保测量结果更干净、更准确。
u 消除接地环路:接地环路可能会引入电压差,使测量信号失真。隔离技术能够断开接地环路,有效消除地电位变化引起的干扰,从而提高测量准确度。
u 安全和保护:隔离栅能够防止危险的电压尖峰、瞬变或浪涌到达敏感的测量元器件,从而确保电气安全。这能够保护测量电路和相连器件,进而让系统安全可靠地运行。除了电路保护之外,隔离还有助于保护在系统上工作的最终用户和设计人员,避免其遭遇电气危险。
隔离式精密信号链由一系列元器件和技术组成,它们协同工作以确保精确测量和数据完整性。隔离式精密信号链的关键元器件通常包括:精密放大器、隔离栅、滤波元件和高分辨率模数转换器(ADC)。这些元器件协同工作,以消除噪声、有效减少干扰并准确地表现信号。图1为采用这些关键元器件的隔离式精密信号链的示例。该精密平台是一个单通道、完全隔离、低延迟的数据采集系统。此解决方案将PGIA信号调理、数字和电源隔离集成到了一个紧凑的电路板内。接下来的内容将详细讨论每个模块,包括其相应的性能以及与非隔离模块相比的优势。
数据和电源隔离
Pmod™至FMC转接板装有数据隔离器、稳压器和变压器,用以实现电气隔离。电气隔离是一种分离电路以消除杂散电流的设计技术,有助于在电气隔离的电路之间传递信号,并阻挡杂散电流(例如由地电位差或交流电源引入的电流)。2
首先,通过ADuM152N和ADuM120N3 kV rms数据隔离器实现数据隔离。这些数据隔离器的共模瞬变抗扰度(CMTI)较高,对辐射和传导噪声具有很强的抗干扰能力,同时传输延迟和动态功耗很低。这些隔离器件不仅易于使用,而且与光耦合器等典型替代品相比,还具有优越的性能特性。具体来说,最大传输延迟为13 ns,脉冲宽度失真小于5 ns。这两款器件的通道间传输延迟匹配非常严格,最大值分别为4.0 ns和3.0 ns。

图1.单通道、完全隔离、低延迟数据采集系统ADSKPMB10-EV-FMCZ的简易框图
其次,隔离式精密信号链需要一套满足信号链要求的隔离电源电路。隔离电源电路不应影响精密信号链的性能。设计时必须确保电源电路辐射很低,同时电源效率要高,并且符合安全要求。
LT3999低噪声推挽式DC-DC驱动器是用于电源隔离的不错之选,其中内置限流值可编程的1 A双通道开关,开关频率可在50 kHz至1 MHz范围内调节(也可同步至外部时钟),工作输入范围为2.7 V至36 V,关断电流小于1 µA。推挽拓扑结构易于设计和实施,仅使用少量元件,并且得益于其固有的对称拓扑结构,工作时的电磁辐射骚扰非常低。
如图2所示,参考平台上的电源电路设计,使得FMC连接器的12 V电压可以作为数据采集板所需的电源,同时实现隔离。为了实现这些目标,电路上的LT3999驱动PH9085.083NL 2.5 kV rms隔离电源变压器。

图2.参考平台隔离电源电路框图
LT3999电源转换器产生未经稳压处理的输出电压。该输出电压随着负载的增加而下降,如图3所示。

图3.LT3999推挽转换器输出电压调节
参考平台可选配一个低压差后级线性稳压器(ADP7105),以便在需要时提供稳定的3.3 V输出。因此,通过转接板对整个测量或数据采集电路进行电气隔离,可以有效降低共模电压变化和外部噪声源的影响。这证明,该方法是一种准确、经济、高效的测量电路隔离方法。3
保持准确度
除了实施隔离技术外,信号链内部的模块的性能也必须匹配。每个元器件都会影响整个信号链的性能,这对于保持整个系统的准确度至关重要。
精密放大器兼具高准确度、低噪声和低失调电压等特点,能够提供精确的信号调理和放大功能,确保真实地呈现所采集的信号,而不会引入额外的失真或偏移。此外,通常还会采用低通滤波器等滤波元件来衰减高频噪声和不需要的信号,只允许所需的信号通过信号链。这进一步提高了测量信号的准确度和完整性。最后,使用高分辨率ADC将模拟信号转换为数字码值,以供进一步处理或分析。这些ADC具有高采样速率和出色的分辨率,能够对模拟信号进行精确的数字化处理。所有这些元器件都经过了精心挑选,旨在实现参考平台所需的性能。

图4.精密中等带宽信号链
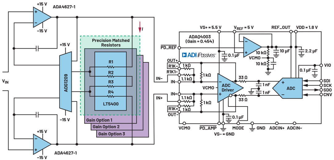
具体来说,参考平台内的数据采集板展示了一种由多个器件组成的分立式可编程增益仪表放大器(PGIA),包括:
u ADA4627-1:高速、低噪声、低偏置电流、JFET运算放大器
u LT5400:精密四通道匹配电阻网络
u ADG1209:低电容、4通道、±15 V/+12 V iCMOS®多路复用器
u ADAQ4003,内部集成的全差分ADC驱动器
前端的PGIA提供高输入阻抗,从而支持与各种传感器直接连接。为使电路适应不同的输入信号幅度(单极性或双极性和单端或差分信号,具有可变共模电压),通常需要可编程增益。PGIA与18位、2 MSPS、µModule®数据采集解决方案ADAQ4003配合使用。图4为该参考平台的整个信号链。
为了验证参考平台的静态性能,我们分别测量了积分非线性(INL)和差分非线性(DNL)。图5和图6为不同增益下DNL和INL误差与代码的关系。DNL误差的典型偏差为±0.6 LSB,这意味着无失码的单调传递函数。同时,INL误差的典型偏差为±2.097 LSB,呈现明显的S形,表明奇次谐波占绝对主导地位。4这些图形表明,整个信号链具有足够高的线性度。

图5.不同增益下DNL与代码的关系,VREF = 5 V

图6.不同增益下INL与代码的关系,VREF = 5 V
在信号链中采用精密放大器、信号调理技术和高分辨率ADC,能够有效降低信号失真、偏移和非线性,从而实现高准确度测量。前面讨论的电气隔离技术进一步降低了共模电压变化,并消除了接地环路效应,从而确保测量信号的准确性。
尽量减少噪声和干扰
来自元器件或外部的噪声和干扰也是数据采集中常见的挑战。隔离式精密信号链通过采用稳健的隔离栅、屏蔽、接地和滤波技术来解决这些问题。μModule ADAQ4003本身采用了降噪技术,支持高保真信号捕获。
具体来说,μModule器件内部的ADC驱动器输出和ADC输入之间放置了一个单极点低通RC滤波器,其用途如下:(1) 消除高频噪声;(2) 减少来自内部SAR ADC输入的电荷反冲;(3) 尽可能提高建立时间和输入信号带宽。5 μModule器件的布局还确保了模拟和数字路径分离,从而避免这些信号交越,减轻辐射噪声。
许多动态参数都会影响到特定数据采集系统的性能,本文仅讨论其中三个。

图7.动态范围
动态范围是指器件本底噪声与其额定最大输出水平之间的范围,6对于确定不受噪声影响的最小电压增量至关重要。该参数使用5 V基准电压进行测试,输入短接到地,输出数据速率为2 MSPS。图7为不同增益下的动态范围,最高增益设置下的典型值为93 dB;最低增益设置下的典型值为100 dB。将过采样率增加到1024倍可进一步改善测量结果,最大值分别达到123 dB和130 dB。

使用式1中的公式求解折合到输出端的等效总噪声,结果低至1.12 µV rms(OSR = 1024×,最低增益设置)。因此,动态范围测量结果较大,意味着整体系统噪声较低。
类似地,在器件的反相和同相输入端施加-0.5 dBFS正弦信号,测量信噪比(SNR)和总谐波失真(THD)等参数。首先,SNR是指均方根信号幅度与所有其他频谱分量(不包括谐波和直流)的和方根(rss)平均值之比。7式2有助于更好地理解此参数。
![]()
另一方面,总谐波失真是指基波信号的均方根值与其谐波(一般仅前五次谐波比较重要)的和方根平均值之比,7如式3所示。
![]()

图8.SNR。

图9.THD。
图8和图9显示了不同增益设置下的SNR和THD值。整个信号链实现了最大98 dB的SNR和-118 dB的THD。不过,这些参数在高输入频率和高增益设置下会变差。图10也显示了一个FFT示例。隔离信号链的本底噪声平坦,约为满量程以下140 dB,杂散信号埋在其下方。这表明,与等效的非隔离信号链相比,隔离信号链实现了一致的信号完整性和噪声性能。

图10.单次捕获FFT,全差分输入,-0.5 dBFS,1 kHz正弦波。
应用和影响
隔离式精密信号链的影响遍及各行各业和各种应用。在物理、化学和生物等领域的科学研究中,准确度和可重复性的要求非常高,而隔离式精密信号链有助于实现精确测量。在工业自动化领域,它能够确保过程控制、质量监测和设备诊断准确无误。在医疗应用方面,它支持精确监测生理信号并进行准确诊断。其影响还延伸到了环境监测、能源管理和电信等领域,因为可靠的数据采集对于该领域的决策和优化至关重要。
浮动DAQ系统
浮动DAQ系统非常适合用于电子测试和测量(ETM)应用。常见的电压测量涉及两个基准点:高电位和低电位/零电位(称为接地)。然而,使用接地作为基准会使高压测量变得危险。具有高共模电压的信号会损害信号链中的元器件,进而可能会导致设备和数据损坏。高电压也会对使用设备的人员造成危险。此外,接地环路引入的噪声、耦合和干扰也会影响接地系统,令人十分担忧。8

图11.具有多个浮动接地参考点的ADSKPMB10-EV-FMCZ板
浮动DAQ通过单独的基准浮动接地点解决了上述风险。浮动测量能够缩短信号传输到采集点的路径,同时允许采集带有共模电压的信号。在图11中可以看到电路板上的不同接地引脚。
结论
隔离式精密信号链对数据采集至关重要,能够保持准确度、尽量减少噪声和干扰并确保数据完整性。结合精密放大功能、隔离技术、高分辨率ADC和低噪声、低辐射电源管理,即使在非常恶劣的环境中,它也能实现精确测量。隔离式精密信号链影响着各行各业,推动了科学研究、工业自动化、医疗健康等领域的进步。随着社会越来越重视准确、可靠地采集数据,隔离式精密信号链的重要性日益显著,不仅驱动着技术创新,更充分释放了数据驱动应用的潜力。
参考文献
1 Jen Lloyd,“数据隔离技术:将安全性和数据完整性贯穿始终”,ADI公司。
2 “电气隔离”,ADI公司。
3 “利用数据隔离器简化设计并确保系统可靠性”,ADI公司,2012年6月。
4 “高速模数转换器(ADC)的INL/DNL测量”,ADI公司,2001年。
5 Maithil Pachchigar,“μModule数据采集解决方案简化各种精密应用面临的工程设计挑战”,ADI公司,2020年。
6 “ADC and DAC Glossary”,Maxim Integrated,2002年7月。
7 “数据转换手册”,ADI公司,2005年。
8 “利用功能隔离断开接地环路,减少数据传输错误”,ADI公司,2011年12月。
9 Van Yang、Songtao Mu和Derrick Hartmann,“PLC DCS模拟输入模块设计突破通道间隔离和高密度障碍”,《模拟对话》,第50卷第12期,2016年12月。
作者简介
Lloben Paculanan是ADI菲律宾公司的产品应用工程师。他于2000年加入ADI公司,先后担任多个测试硬件开发和应用工程职位,一直专注于精密、高速和信号链µModule®开发工作。他拥有菲律宾泽维尔大学的工业工程技术学士学位,以及奎松大学计算机工程学士学位。
Chelsea Faye Aure是ADI公司的产品应用工程师。她是精密信号链µModule®解决方案开发团队的一员,负责提供技术应用支持。她于2022年加入ADI菲律宾公司,开始其职业生涯。她拥有德拉萨大学达斯马里尼亚斯分校的电子工程学士学位。
Jan Michael Gonzales是ADI菲律宾公司的电源系统产品应用工程师。他于2020年加入ADI公司,主要从事精密信号链供电相关工作。他拥有马尼拉玛普阿大学电子工程学士学位和电源电子研究生学位。

2023-12-18

2025-04-14

强强联合!亚信科技、阿里云携联盟之力,助力行业“零门槛”玩转大模型
2024-09-21

高通和雷诺集团计划将双方战略合作扩展至雷诺旗下的全新电动汽车与软件公司Ampere
2022-12-04

任意网络上的任意媒体(第 3 篇)——NDI 简化专业音视频
2023-08-29

2026-01-14

创实技术亮相2024慕尼黑华南电子展,掘金半导体产业新一轮增长周期
2024-10-17

Commvault连续第13次获评Gartner®企业备份和恢复软件解决方案魔力象限领导者
2024-08-09

瑞能半导体携全场景产品矩阵亮相SNEC 2025,以技术创新践行“能源转型愿景”
2025-06-12

2024-09-17