(作者:Antoniu Miclaus,系统应用工程师)
目标
振荡器有多种形式。本次实验活动将研究Colpitts配置,该配置使用带抽头的电容分压器来提供反馈路径。
背景知识
Colpitts振荡器特别擅长在30 kHz至30 MHz的RF范围内产生低失真的正弦波信号。Colpitts配置的标志性特点是其使用带抽头的电容分压器(图1中的C1和C2)。振荡频率可以像任何并联谐振电路一样,使用公式1来计算。

需合理选择两个串联电容的值,使其串联总电容(CTOT)满足公式2的计算结果。

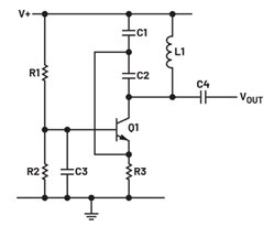
图1为典型的Colpitts振荡器。决定频率的并联谐振调谐电路由C1、C2和L1组成,用作共基极放大器Q1的集电极负载阻抗。这使得放大器仅在谐振频率下具有高增益。Colpitts振荡器的这种配置使用了共基极放大器。Q1的基极通过电阻分压器R1和R2偏置到适当的直流电平,但通过C3直接连到交流地。在共基极模式下,集电极处的输出电压波形与发射极处的输入信号同相。这确保了C1和C2之间节点的输出信号的一部分从调谐集电极负载反馈到发射极,从而提供所需的正反馈。请注意,此反馈仅为交流反馈,集电极与发射极之间不存在直流路径。

图1.基础的Colpitts振荡器
C1和C2的组合电容还与发射极电阻R3共同作用产生一个低频时间常数,从而提供与Q1发射极处的反馈信号幅度成比例的平均直流电压电平。这样就能自动控制放大器的增益,从而去调节振荡器的闭环增益。与所有振荡器一样,必须遵循Barkhausen准则,即总增益为1,且从输入到输出的相移为0度。因为发射极节点用作共基极放大器的输入,所以发射极电阻R3未去耦。基极通过C3连接到交流地,在振荡器频率下其电抗非常低。
实验前仿真
构建图1所示Colpitts振荡器的仿真原理图。计算偏置电阻R1和R2的值,确保当发射极电阻R3设置为1 kΩ时,NPN晶体管Q1中的集电极电流约为1 mA。假设电路采用10 V电源供电。确保R1和R2之和(总电阻大于10 kΩ)在合理范围内达到最高值,从而尽可能降低电阻分压器中的静态电流。注意,C3在Q1的基极处提供一个交流地。将基极去耦电容C3和输出交流耦合电容C4设置为0.1 μF。计算C1和C2的值,确保当L1设置为100 μH时,谐振频率接近500 kHz。执行瞬态仿真。保存这些结果,将它们与实际电路的测量结果进行比较并将比较结果随附在实验报告中。
材料
• ADALM2000主动学习模块
• 无焊试验板和跳线套件
• 一个2N3904 NPN晶体管
• 两个10 µH电感
• 两个100 µH电感
• 一个1 nF电容(标记为102)
• 一个4.7 nF电容(标记为472)
• 两个0.1 µF电容(标记为104)
• 一个1 kΩ电阻
• 所需的其他电阻、电容和电感
说明
使用无焊试验板构建图2所示的Colpitts振荡器。从器件套件中选择偏置电阻R1和R2的标准值,使得发射极电阻R3设置为1 kΩ时,NPN晶体管Q1中的集电极电流约为1 mA。根据所选择的C1、C2和L1值,振荡器的频率可以在大约500 kHz到2 MHz的范围内变化。首先设置L1 = 100 μH、C1 = 4.7 nF且C2 = 1 nF。此振荡器电路可产生超过10 V p-p的正弦波输出,其频率近似于由所选L1值设定的频率。

图2.Colpitts振荡器
硬件设置
试验板电路参见图3。

图3.Colpitts振荡器试验板电路
图2中的方块表示连接ADALM2000模块AWG、示波器通道和电源的位置。确保在反复检查接线之后,再打开电源。
程序步骤
完成Colpitts振荡器的构建之后,检查电路是否正确振荡,先打开+5 V和-5 V两个电源,并将其中一个示波器通道连接到输出端。实验可能会发现,R3的值相当关键,选择不当可能会导致电路产生较大且失真的波形,或者产生间歇性低输出,甚至完全没有输出。为了找到更合适的R3值,可以用1 kΩ或5 kΩ电位计代替它进行试验,以寻找波形更优、幅度更可靠的电阻值。R3的最优值可能随着谐振频率的变化而变化。
图4为使用R1 = 10 kΩ、R2 = 1 kΩ、C1 = 4.7 nF且C2 = 1 nF时的波形示例。

图4.Colpitts振荡器图
问题
1. Colpitts振荡器的主要功能是什么?
2. 哪些实际应用使用Colpitts振荡器?
作者简介
Antoniu Miclaus是ADI公司的软件工程师,负责为Linux和无操作系统驱动程序开发嵌入式软件,同时从事ADI教学项目、QA自动化和流程管理工作。他于2017年2月在罗马尼亚克卢日-纳波卡加盟ADI公司。他拥有巴比什-波雅依大学软件工程硕士学位,以及克卢日-纳波卡技术大学电子与电信工程学士学位。

2025-07-18

2025-07-11

2025-02-04

2026-01-07

Nordic Semiconductor通过Memfault推动的nRF Cloud提供完备的设备可观测性与OTA更新功能
2025-10-21

MWC 2025:移远通信大模型解决方案加速落地,引领服务机器人创新变革
2025-03-04

2023-10-24

引领空间自由主义:维谛技术DMS壁挂式机房精密空调清爽出击!
2024-12-30

是德科技携手百佳泰,合作开展 Thunderbolt™ 5 产品认证测试
2024-07-11

释放千兆体验,华为定义绿色全光网络四大发展方向,迈向F5.5G
2023-03-02