(作者:Tian Zhu,现场应用工程师;Elvin Chen,应用工程师)
摘要
生命体征监测(VSM)设备可以采集多种电生理信号,例如心电图(ECG)、光电容积脉搏波(PPG)和生物电阻抗(Bio-Z)。这些信号能够反映人类生理状态的多个方面,广泛用于健康监测、疾病预防和辅助治疗。阻抗心动图(ICG)是一种重要的电生理信号检测技术。它通过追踪瞬时平均胸阻抗的变化来测量心搏出量(SV),从而评估人体的心脏血流动力学功能。本文介绍了ICG的基本原理和测量方法,并基于ADI高度集成的模拟前端(AFE)芯片,提出并实现了一种ICG信号采集和SV计算解决方案。
引言
阻抗心动图(ICG)是一种无创技术,通过测量与心脏活动相关的胸生物电阻抗的变化来评估心血管功能。心动周期中血容量的变化会导致相应的阻抗变化,从中可以推导出阻抗心动图及其一阶导数(dZ/dt)。dZ/dt波形包含反映心动周期关键生理事件的明显特征点,借助这些特征点可以提取重要血流动力学参数,如心搏出量(SV)和左心室射血时间(LVET)等。得益于其无创性、简易性和连续监测能力,ICG已广泛应用于生命体征监测(VSM)和心血管评估。
阻抗心动图
阻抗心动图(也称为ICG信号)通过生物电阻抗(Bio-Z)技术生成,能够反映血容量的变化。图1所示为典型的阻抗心动图。

图1.阻抗心动图(ICG)
其中,ΔZ表示总胸阻抗,dZ/dt是其一阶导数。dZ/dt波形包含明显的特征点和波分量。根据这些特征点的位置和幅度,可以计算SV等参数。心动周期的特征点包括:
• A点:在ICG信号中表现为向下偏转,由心房收缩引起。
• B点:表示等容收缩结束、半月瓣开启,以及心室快速射血期的开始。在ICG信号中,它是收缩波的起始点,对应于血流加速度增长最快的时刻。
• C点:表示主动脉血流达到最大值的时间,标志着快速射血期结束,过渡到减慢射血期。在ICG信号中,它是收缩波的峰值(最大值)点。
• X点:表示心室收缩的结束和半月瓣关闭的开始。在ICG信号中,它是收缩波之后的最小值点(随心率变化),对应于血流减速度增长最快的点。
• O点:表示左房室瓣开启和心室充盈过程的开始。
生物阻抗测量原理
通过测量人体组织在弱交流电作用下的阻抗变化,可以获得反映血容量变化的心脏阻抗信号。人体由众多细胞组成,生物组织的电模型可以用图2所示的等效电路表示。在该模型中,Cm是细胞膜的并联电容,Re是细胞外液的电阻,Ri是细胞内液的电阻。需要注意的是,该电路中的Cm、Re和Ri并非表示单个细胞的膜电容和细胞内外液的电阻,而是整个生物组织的等效电容和电阻。该电路也被称为生物阻抗的RC三元素模型。本文采用广泛使用的四电极法来测量人体生物阻抗。此方法的原理是:通过一对电极施加激励电流,同时使用另一对电极提取电压。

图2.人体组织的等效阻抗模型
如图3所示,四个3M Ag/AgCl凝胶电极以标准配置布置,用于采集ICG信号。D1和D4用作一对激励电极,而D2和D3用作一对检测电极。高频电流通过D1注入人体,并通过D4返回到芯片。将恒定电流施加于胸部时,D2和D3电极之间会产生电位差。胸阻抗会随着心脏活动而变化,故电位差也会相应变化。这个变化的电位信号就是ICG信号。
在信号采集过程中,最佳电极布置方式如下:
• D1激励电极:附着在左右耳后凹陷处。
• D4激励电极:放置在上腹部。
• D2检测电极:对称地附着在两个锁骨上方。
• D3检测电极:放置在剑突下方凹陷部位的两侧。

图3.用于ICG信号采集的电极分配
SV计算
采集阻抗信号是为了通过其特征点生成ICG信号,随后提取并计算血流动力学参数,即SV。计算公式如下:

W (kg)和H (cm)分别表示受试者的体重和身高。
(dZ/dt)max是ICG信号的峰值幅度。LVET代表左心室射血时间。Z₀是身体组织的基线阻抗。
IW表示理想体重,利用公式2计算。

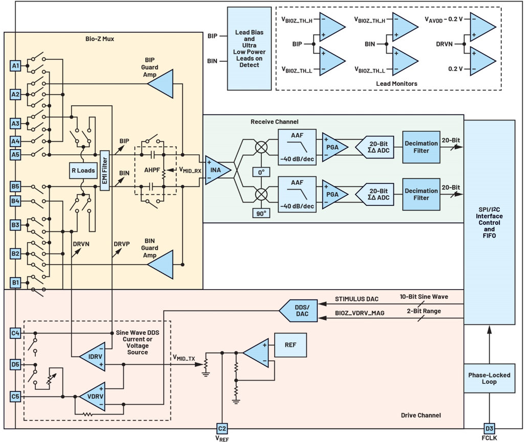
适用于生物阻抗测量的高集成度AFE (MAX30009)解决方案
在这个生物阻抗测量应用中,采用了ADI高度集成的模拟前端(AFE)解决方案。它有如下几个优点。首先,发射通道集成了一个正弦电流源,能够在16 Hz到500 kHz的宽频率范围内提供交流激励电流,电流幅度范围从16 nA rms到1.28 mA rms。频率和电流都是完全可配置的。此外,其灵活的输入/输出多路复用器(mux)支持双极性或四极性电极测量结构。接收通道具有高输入阻抗、低噪声和高共模抑制比(CMRR)等特性。它还提供可编程增益、可配置的低通/高通滤波器,以及两个集成的高分辨率模数转换器(ADC)(20位),支持同步IQ信号采集。其次,对于需要高绝对阻抗精度的应用,例如生物阻抗分析/光谱(BIA/BIS)或自动体外除颤器(AED)中的身体阻抗测量,MAX30009提供了多种校准选项。通过将外部精密电阻连接到专用四线校准端口,可以实现非常高的精度。另外,其内部调整的精密电阻也能提供出色的校准性能。图4显示了内部系统框图。

图4.MAX30009的内部系统电路
如图5所示,该系统是一个完整的生物阻抗测量解决方案。它采用高度集成且可编程的电源管理IC MAX20356来管理电源轨,并通过一个支持低功耗蓝牙®的微控制器单元(MCU)与生物阻抗AFE MAX30009进行通信。基于之前介绍的生物阻抗测量原理,AFE的发射通道使用内部直接数字频率合成器(DDS)和数模转换器(DAC)生成频率可调的正弦波扫描电压。此电压通过偏置电阻转换为电流激励信号,并作用于人体。响应信号由AFE接收通道通过输入引脚处的测量获得。在ICG测量中,常用的激励信号频率范围为20 kHz到200 kHz,激励电流有效值约为0.12 mA,对应于0.1 Ω到0.4 Ω的人体交流阻抗范围。该应用将一个65.536 kHz和256 μA的激励信号作用于人体进行阻抗测量。

图5.采用MAX32666、MAX20356和MAX30009的生物阻抗测量系统框图
ICG特征点检测算法
原始阻抗信号首先依次通过50 Hz陷波滤波器、中值滤波器和低通滤波器处理,以获得相对纯净的阻抗信号。然后对信号进行一次微分以获得ICG信号。ICG信号的峰值点(即C点)通过差分阈值法进行检测。基于ICG信号的C点,确定检测B点和X点的时间窗口。在各自的时间窗口内,按如下方式进行检测。
B点检测算法:在B点时间窗口内,ICG的二阶导数的最大值对应于B点。如果该最大值小于Cpeak的15%,则将ICG信号的过零点视为B点。如果未找到过零点,则将最接近0.15 × Cpeak的点作为B点。
X点检测算法:在X点时间窗口内,首先找到ICG信号的局部最大值,其对应O点。然后将该时间窗口内相对于O点斜率最大的位置选为X点。如果没有找到这样的点,则将该时间窗口内的最小值视为X点。Cpeak被定义为(dZ/dt)max,B点和X点之间的时间差表示LVET。图6显示了ICG特征点检测算法的流程图。

图6.ICG特征点检测流程图
结果
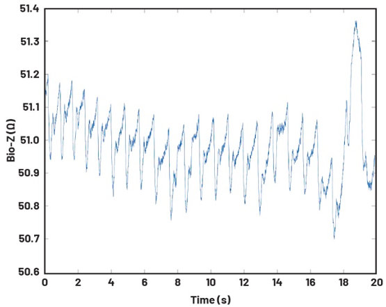
图7显示了利用图5所示系统获取的人体阻抗信号。图8展示了利用ICG特征点检测算法处理阻抗信号后获得的ICG信号,信号上标出了用于计算SV的特征点C、B和X。

图7.原始生物阻抗

图8.ICG BCX特征点检测
结语
ICG信号是评估心血管健康状况的重要生物信号之一,与心脏功能和血流动力学密切相关。因此,准确获取和分析ICG信号对于心脏健康监测至关重要。MAX30009是一款专用的生物阻抗AFE器件,可生成各种激励信号(如正弦扫描信号),并能通过正交解调准确测量生物阻抗。它可用于采集ICG信号,实现对心脏活动的详细分析。它还支持与其他生物传感器一起进行同步测量,在可穿戴心血管监测应用中较传统方案具有明显优势。因此,它是构建高精度ICG信号测量系统的理想选择。
作者简介
Tian Zhu是ADI公司全球广泛市场解决方案部门中国区的一名现场应用工程师。他主要为汽车电子和工业客户提供技术支持。他于2023年获得中国传媒大学电子工程硕士学位,同年加入ADI公司。
Elvin Chen是ADI公司中国技术支持中心的应用工程师。他的专业领域是RF信号链和集成收发器解决方案。他于2022年获得中国电子科技大学的生物医学工程硕士学位,同年加入ADI公司。

2025-02-20

2023-08-02

胜友如云!2024,亚信科技AntDB数据库主打一个“破圈”
2024-03-01

2023-03-16

SABIC推出新型LNP™ LUBRILOY™改性料,进一步拓宽不含PTFE润滑剂的材料方案组合
2024-02-07

Proximus Global旗下公司BICS与两家新运营商合作,扩展全球独立5G漫游范围
2025-06-10

2023-01-11

2025-02-18

2025-09-08

2026-02-12