随着汽车和工业应用领域对获取更多可再生能源的需求不断增长,对小型、高效、精确且具有成本效益的功率转换器和电机控制器的需求正在高速增长。
用于测量高电压的精确隔离式电压检测是一项重大的电气工程挑战,并且电压变得越来越高。直流电压从 400VDC 增加到 800VDC,甚至高达 1,500VDC。消费者的经济承受能力也变得越来越重要,尺寸优化正在推动更大规模的创新。因此,迫切需要能满足当今要求的精密、尺寸优化、电隔离电压检测器件。
汽车制造商每年都会提出研发电动汽车 (EV) 的目标,期望实现更长的行驶里程(大于 400 英里)和提供更好的操作安全性,同时保持实惠的价格。集成式隔离式直流电压检测器件可以在车载充电器、直流/直流转换器和电池管理系统中提供低于 1% 的直流电池电压精度误差,从而更大限度地提高直流电压测量值并延长行驶里程。集成的隔离式交流电压检测器件可以在紧凑型集成电路 (IC) 中精确测量单相或三相交流电网电压,从而更大限度地提高电网对电压电平的利用率。交流和直流隔离式电压检测器件均可通过检测功能故障并通知驱动器来确保运行安全。通过将外部元件集成到单个 IC 中,交流和直流隔离式电压检测器件还可以提高性价比,从而帮助设计人员通过更节能的设计缩短产品上市时间。
在智能能源基础设施中,具有高级集成度的隔离式电压检测器件可以降低直流和交流充电器、储能系统和光伏逆变器的成本并提高功率密度。这些隔离式电压检测器件还可以实现高精度电压测量,精度误差小于 1%,从而实现更精确的电力输送和更低的功率耗散。效率提高后,节省下来的成本就有可能让消费者获益。能源基础设施应用需要同时测量交流和直流电压。
对于交流电压检测,精确的隔离式电压传感器可以更精确地测量电网电压,这对于功率转换器非常重要,因为需要了解每个电压之间的相位差才能执行功率因数校正。在逆变器模式下,隔离式电压传感器为负载和/或电网提供精确的电压电平。
对于直流电压检测,精确的隔离式电压传感器有助于在恒压阶段加快电池充电至最终电压时的充电速度,而不会损坏电池。图 1 展示了在电动汽车和能源基础设施中进行隔离式电压检测的示例。

图 1:电动汽车和能源基础设施系统中的隔离式电压检测
在当今的电机控制应用(包括工业电机驱动器和汽车牵引逆变器)中,越来越需要更精确的直流电压测量。高度精确和紧凑的 IC 可以实现更高效的直流测量,并且不会占用印刷电路板 (PCB) 上的太多空间,而这两个方面都是电机控制应用中的挑战。
高压检测解决方案
德州仪器正大力开发产品,帮助应对市场挑战并实现更高效、更具成本效益和更精确的功率转换和电机控制系统。我们开发了两种新的隔离式电压检测技术,包括集成式高压电阻器和单端输出器件。
集成电阻器件
AMC0380D04-Q1、AMC0381D10-Q1 和 AMC0386M10-Q1 系列电隔离电压检测放大器和调制器集成了高压电阻分压器,且无需昂贵的大型外部电阻器即可将电压降至 ±1V 或 0V 至 2V 电平。独立式高压电阻器会占用 PCB 上的大量空间,因为可能需要多达 15 个高压电阻器来降低电压并保持系统的隔离等级。独立式高压电阻器也是测量误差、寿命漂移和温度漂移的重要来源,需要下线校准。
在节约布板空间方面,AMC0380D04-Q1 ±400VAC 输入隔离放大器、AMC0381D10-Q1 1,000VDC 输入隔离放大器和 AMC0386M10-Q1 ±1,000VAC 输入隔离调制器无需外部高压电阻器,从而节省系统级成本并将解决方案尺寸缩减多达 50%,如图 2 所示。

图 2:集成电阻器系列的集成优势
通过将高电压电阻器集成到我们的隔离式电压检测器件中,无需使用大型电阻梯。我们还通过校准 AMC0380D04-Q1、AMC0381D10-Q1 和 AMC038610-Q1 的内部电阻器的增益误差,避免了系统级校准,这可以节省制造时间和成本。
这些器件还有助于提高精度,进而提高系统效率。与分立式电阻器相比,集成分压器具有非常低的温度漂移和使用寿命漂移,可实现低于 1% 的电压测量精度。
单端输出器件
在使用 AMC1311 等业界通用隔离式放大器设计隔离式电压检测电路时,一个常见挑战是将隔离式放大器的差分输出转换为单端输出,以直接连接微控制器 (MCU) 内的模数转换器 (ADC)。这可能成本高昂,并会占用额外的 PCB 空间。
为了节省布板空间,AMC0311R-Q1、AMC0311S-Q1、AMC0330R-Q1 和 AMC0330S-Q1 器件无需使用差分转单端电路(通常由运算放大器和基准电压组成),从而有助于节省系统级成本并缩减解决方案尺寸(请参阅图 3)。

图 3:传统的隔离式电压检测拓扑
图 4 展示了这些单端器件的引脚排列。

图 4:差分转单端运算放大器的集成
除了 AMC0311R-Q1 和 AMC0330R-Q1 器件所带来的布板空间节省外,它们的比例式输出可实现可变输出增益,从而通过隔离式电压检测器件提供输出摆幅,该器件遵循 MCU 内部 ADC 的基准电压,如图 5 所示。这允许使用 ADC 的全动态范围来提高分辨率测量值。

图 5:比例输出隔离式电压检测
集成隔离式电压检测用例
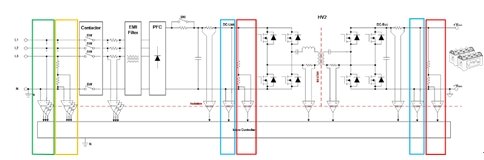
图 6 展示了功率转换系统的标准拓扑。对于交流电压检测,您可以在不使用外部高压电阻器的情况下使用 AMC0380D04-Q1(绿色矩形),也可以在使用外部高压电阻器的情况下使用 AMC0330D-Q1、AMC0330S-Q1 或 AMC0330R-Q1(黄色矩形)。
对于直流电压检测,您可以在不使用外部高压电阻器的情况下使用 AMC0381D10-Q1 和 AMC0386M10-Q1(蓝色矩形),也可以在使用外部高压电阻器的情况下使用 AMC0311D-Q1、AMC0311S-Q1 或 AMC0311R-Q1(红色矩形)。

图 6:功率转换应用中的隔离式电压检测
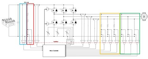
图 7 展示了电机控制系统的标准拓扑。对于交流电压检测,您可以在不使用外部高压电阻器的情况下使用 AMC0380D04-Q1(绿色矩形),也可以在使用外部高压电阻器的情况下使用 AMC0330D-Q1、AMC0330S-Q1 或 AMC0330R-Q1(黄色矩形)。
对于直流电压检测,您可以在不使用外部高压电阻器的情况下使用 AMC0381D10-Q1 和 AMC0386M10-Q1(蓝色矩形),也可以在使用外部高压电阻器的情况下使用 AMC0311D-Q1、AMC0311S-Q1 或 AMC0311R-Q1(红色矩形)。

图 7:电机控制应用中的隔离式电压检测
结语
在当今市场,小型、高效、精确且具有成本效益的功率转换器和电机控制器是大势所趋。用于交流电压检测的 AMC0380D04-Q1、AMC0386M10-Q1、AMC0330D-Q1、AMC0330S-Q1 和 AMC0330R-Q1 器件以及用于直流电压检测的 AMC0381D-Q1、AMC038610-Q1、AMC0311D-Q1、AMC0311S-Q1 和 AMC0311R-Q1 器件可应对设计挑战,帮助实现未来净零排放的目标。

2023-11-14

芯科科技即将重磅亮相IOTE 2025深圳物联网展,以全面的无线技术及生态覆盖赋能万物智联
2025-08-20

2023-06-02

Commvault扩展与AWS的合作关系,加入AWS ISV WMP和AWS服务就绪计划
2023-09-07

“端云+多模态”新范式:《移远通信AI大模型技术方案白皮书》正式发布
2025-07-28

高通和微软在Microsoft Build开发者大会上携手推动终端侧AI规模化扩展
2023-05-24

MSC诚邀您莅临第26届中国国际渔业博览会(CFSE 2023)
2023-10-23

2023-07-03

AppsFlyer 发布第 17 版《广告平台综合表现报告》
2024-10-16

2025-12-24